常見的汽車應急電源工作原理及電路圖
來源:汽車應急電源
作者:昂佳科技
點擊:
次發表時間:2020-01-07 14:02:21
一、汽車應急電源的基本工作原理
一般汽車應急電源會配備開關閥,開關式穩壓電源接控制方式分為調寬式和調頻式兩種,在實際的應用中,調寬式使用得較多,在目前開發和使用的電源集成電路中,絕大多數也為脈寬調制型。因此下面就主要介紹調寬式穩壓電源。
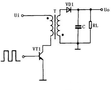
汽車應急電源的基本原理參見下圖


對于單極性矩形脈沖來說,直流平均電壓Uo取決于矩形脈沖的寬度,脈沖越寬,其直流平均電壓值就越高。直流平均電壓U。可由公式計算,
即Uo=Um×T1/T
式中Um為矩形脈沖最大電壓值;T為矩形脈沖周期;T1為矩形脈沖寬度。
從上式可以看出,當Um 與T 不變時,直流平均電壓Uo 將與脈沖寬度T1 成正比。這樣,只要我們設法使脈沖寬度隨穩壓電源輸出電壓的增高而變窄,就可以達到穩定電壓的目的。
二、汽車應急電源的原理電路
1.基本電路

交流電壓經整流電路及濾波電路整流濾波后,變成含有一定脈動成份的直流電壓,該電壓進人高頻變換器被轉換成所需電壓值的方波,最后再將這個方波電壓經整流濾波變為所需要的直流電壓。
控制電路為一脈沖寬度調制器,它主要由取樣器、比較器、振蕩器、脈寬調制及基準電壓等電路構成。這部分電路目前已集成化,制成了各種開關電源用集成電路。控制電路用來調整高頻開關元件的開關時間比例,以達到穩定輸出電壓的目的。
2.單端反激式電源
電路中所謂的單端是指高頻變換器的磁芯僅工作在磁滯回線的一側。所謂的反激,是指當開關管VT1 導通時,高頻變壓器T初級繞組的感應電壓為上正下負,整流二極管VD1處于截止狀態,在初級繞組中儲存能量。當開關管VT1截止時,變壓器T初級繞組中存儲的能量,通過次級繞組及VD1 整流和電容C濾波后向負載輸出。

單端反激式電源是一種成本最低的電源電路,輸出功率為20-100W,可以同時輸出不同的電壓,且有較好的電壓調整率。唯一的缺點是輸出的紋波電壓較大,外特性差,適用于相對固定的負載。
單端反激式電源使用的開關管VT1 承受的最大反向電壓是電路工作電壓值的兩倍,工作頻率在20-200kHz之間。
3.單端正激式電源
這種電路在形式上與單端反激式電路相似,但工作情形不同。當開關管VT1導通時,VD2也
導通,這時電網向負載傳送能量,濾波電感L儲存能量;當開關管VT1截止時,電感L通過續流二極管VD3 繼續向負載釋放能量。

在電路中還設有鉗位線圈與二極管VD2,它可以將開關管VT1的最高電壓限制在兩倍電源電壓之間。為滿足磁芯復位條件,即磁通建立和
復位時間應相等,所以電路中脈沖的占空比不能大于50%。由于這種電路在開關管VT1導通時,通過變壓器向負載傳送能量,所以輸出功率范圍大,可輸出50-200 W的功率。電路使用的變壓器結構復雜,體積也較大,正因為這個原因,這種電路的實際應用較少。
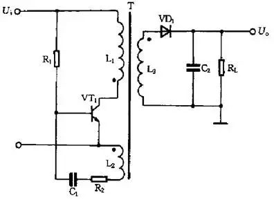
4.自激式穩壓電源

這是一種利用間歇振蕩電路組成的電源,也是目前廣泛使用的基本電源之一。
當接入電源后在R1給開關管VT1提供啟動電流,使VT1開始導通,其集電極電流Ic在L1中線性增長,在L2 中感應出使VT1 基極為正,發射極為負的正反饋電壓,使VT1 很快飽和。與此同時,感應電壓給C1充電,隨著C1充電電壓的增高,VT1基極電位逐漸變低,致使VT1退出飽和區,Ic 開始減小,在L2 中感應出使VT1 基極為負、發射極為正的電壓,使VT1 迅速截止,這時二極管VD1導通,高頻變壓器T初級繞組中的儲能釋放給負載。在VT1截止時,L2中沒有感應電壓,直流供電輸人電壓又經R1給C1反向充電,逐漸提高VT1基極電位,使其重新導通,再次翻轉達到飽和狀態,電路就這樣重復振蕩下去。這里就像單端反激式開關電源那樣,由變壓器T的次級繞組向負載輸出所需要的電壓。
自激式電源中的開關管起著開關及振蕩的雙重作從,也省去了控制電路。電路中由于負載位于變壓器的次級且工作在反激狀態,具有輸人和輸出相互隔離的優點。這種電路不僅適用于大功率電源,亦適用于小功率電源。
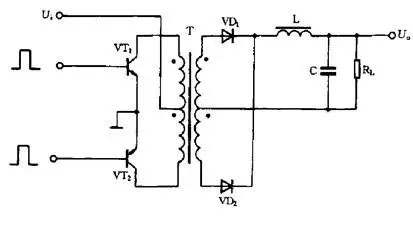
5.推挽式電源
推挽式電源屬于雙端式變換電路,高頻變壓器的磁芯工作在磁滯回線的兩側。電路使用兩個開關管VT1和VT2,兩個開關管在外激勵方波信號的控制下交替的導通與截止,在變壓器T次級統組得到方波電壓,經整流濾波變為所需要的直流電壓。

這種電路的優點是兩個開關管容易驅動,主要缺點是開關管的耐壓要達到兩倍電路峰值電壓。電路的輸出功率較大,一般在100-500 W范圍內。
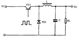
6.降壓式電源
當開關管VT1 導通時,二極管VD1 截止,輸人的整流電壓經VT1和L向C充電,這一電流使電感L中的儲能增加。當開關管VT1截止時,電感L感應出左負右正的電壓,經負載RL和續流二極管VD1釋放電感L中存儲的能量,維持輸出直流電壓不變。電路輸出直流電壓的高低由加在VT1基極上的脈沖寬度確定。

這種電路使用元件少,它同下面介紹的另外兩種電路一樣,只需要利用電感、電容和二極管即可實現。
7.升壓式電源
當開關管 VT1 導通時,電感L儲存能量。當開關管VT1 截止時,電感L感應出左負右正的電壓,該電壓疊加在輸人電壓上,經二極管VD1向負載供電,使輸出電壓大于輸人電壓,形成升壓式開關電源。

8.反轉式電源
這種電路又稱為升降壓式電源。無論開關管VT1之前的脈動直流電壓高于或低于輸出端的穩定電壓,電路均能正常工作。

當開關管 VT1 導通時,電感L 儲存能量,二極管VD1 截止,負載RL靠電容C上次的充電電荷供電。當開關管VT1截止時,電感L中的電流繼續流通,并感應出上負下正的電壓,經二極管VD1向負載供電,同時給電容C充電。
以上介紹了常見的汽車應急電源工作原理和開關電源各種電路類型,在實際應用中,會有各種各樣的實際控制電路,但無論怎樣,也都是在這些基礎上發展出來的。
免責聲明:部分文章信息來源于網絡以及網友投稿,本網站只負責對文章進行整理、排版、編輯,是出于傳遞 更多信息之目的,并不意味著贊同其觀點或證實其內容的真實性,如本站文章和轉稿涉及版權等問題,請作者在及時聯系本站,我們會盡快處理
同類文章排行
- 大神自己自制汽車應急啟動電源?還不如自己備一個
- 汽車啟動不了,導致汽車無法啟動的五大原因
- 汽車應急啟動電源使用方法及原理圖
- 2017排行前十的汽車應急啟動電源品牌
- 汽車應急啟動電源工作原理
- 汽車應急啟動電源使用排名評測
- 怎么選購汽車應急啟動電源?哪個牌子汽車應急啟動電源比較好?
- 汽車應急啟動電源充不了電怎么辦?昂佳科技教你解決方法
- 汽車應急啟動電源常見問題分析及解決方案
- 汽車應急啟動電源為什么用手機充電器充不了電?








